
NFW Technology GmbH
Kontakte
Nebojsa Aksentic
Inhaber, Geschäftsführer, Vorstand
Telefon:
E-Mail:
In vier Schritten zur einzigartigen Markttransparenz

Kompetenzen
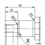
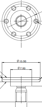
Teile (2)
Technologien
Drehen
| Technologien | Stückzahl | Länge | Breite | Höhe | Durch-messer | Gewicht | Material stärke |
|---|---|---|---|---|---|---|---|
Drehen | 1 - 500000 | max. 1000 | - | - | max. 99999998 | - | - |
Automatendrehen (Stange) | 1 - 99999998 | max. 99999998 | - | - | 10 - 99999998 | - | - |
Langdrehen | 1 - 500000 | max. 99999998 | - | - | max. 99999998 | - | - |
Komplettbearbeitung Drehen (mit Fräsbearbeitung) | 1 - 100000 | 3 - 900 | - | - | 1 - 400 | - | - |
Firmenbeschreibung
Die NFW Technology GmbH zeichnet sich durch ihre Spezialisierung auf die Fertigung hochpräziser Komponenten aus und verfügt über eine breite Expertise in den Bereichen Maschinenbau und Produktionstechnologie. Unser Ruf für herausragende Qualität, Zuverlässigkeit und technisches Know-how hat uns sowohl auf nationaler als auch auf europäischer Ebene Anerkennung eingebracht. Dies gilt für unsere internen Prozesse ebenso wie für die Zusammenarbeit mit unseren Partnerfirmen. Wir sind optimal ausgerüstet, um auch Ihre individuellen Bedürfnisse zu erfüllen. Unser fortschrittlicher Maschinenpark erstreckt sich über 300 Quadratmeter und ermöglicht es uns, Produkte höchster Güte herzustellen. MASCHINENBAU & ENGINEERING Im Bereich Engineering und Maschinenbau bieten wir unseren Kunden umfassende Gesamtlösungen an. Vom Konzept bis hin zur Montage und Programmierung. Wir sind spezialisiert auf Montageanlagen, Roboterzellen und Vorrichtungen. Ob klein oder groß, wir finden die optimale Lösung für Ihre Bedürfnisse. Gerne bieten wir Ihnen branchenunabhängig eine passende Lösung laut Ihren Vorstellungen an. Unsere Ansprechpartner stehen Ihnen für Fragen jederzeit zur Verfügung.
Anfragen
Anfragenübersicht Technologien
Technologien und Anzahl der eingestellten Anfragen
Komplettbearbeitung Drehen (mit Fräsbearbeitung)
Fräsen
Drehen
Schweißkonstruktionen
Laserschneiden 2D (Laserstrahlschneiden)
Biegen / Abkanten
Automatendrehen (Stange)
Schutzgasschweißen (MIG/MAG)
Glühen
Maschinenrahmen / Maschinenständer
Funkenerosives Schneiden (Drahterodieren)
Hartdrehen
5-Achs-Fräsen
Rohrbiegen
Drahtbiegen
23
14
13
11
5
4
3
1
1
1
1
1
1
1
1
Werkstoffe
Schwermetalle
Kupfer-Zink-Legierung (Messing)
Kupfer und Kupferlegierung
Zink und Zinklegierung
Lote
Sinterwerkstoffe
Metallpulver für Formteile
Metallpulver für Hartmetall
Leichtmetalle
Aluminium und Aluminiumlegierung
Magnesium und Magnesiumlegierung
Titan und Titanlegierung
Kunststoffe
Thermoplaste
Acryl (PMMA)
Hochleistungskunststoffe
Duroplaste
Elastomere
Silikone (LSR)
Kautschuk und Gummi
Glasfaserverstärkte Kunststoffe (GFK)
Kohlefaserverstärkte Kunststoffe (CFK)
Teilchenverstärkte Verbundwerkstoffe
Holz-Kunststoff-Verbundwerkstoffe (WPC)
Naturfaserverstärkter Kunststoff (NFK)
Stahl
Baustahl
Einsatz-/Vergütungsstahl
Edelstahl (rostfrei V2A)
Edelstahl (rostfrei/säurebeständig V4A)
Automatenstahl
Werkzeugstahl
Federstahl
Kaltfließpressstahl
Eisengusswerkstoffe
Stahlguss
Gusseisen
Branchen
Apparatebau
Automobilindustrie und Fahrzeugbau
Eisenbahnindustrie und Schienenfahrzeugbau
Chemische Industrie
Sondermaschinenbau
Mess- und Regeltechnik, Laborgeräte
Informationstechnik (Hardware)
Medizintechnik
Berg- und Tunnelbau
Anlagenbau
Papier- und Druckereimaschinenbau
Elektroindustrie
Automatisierungs- und Steuerungstechnik
Antriebs- und Getriebetechnik
Hauswirtschaftstechnik
Hydraulik- und Pneumatikindustrie
Luft- und Raumfahrtindustrie
Militärtechnik
Energieindustrie
Beleuchtungsmittelindustrie
Maschinenbau allgemein
Kessel- und Behälterbau
Feinmechanik, Mechatronik und Optik
Armaturenbau
Bauzubehör
Kälte-, Klima- und Lufttechnik
Reinraumtechnik
Möbelindustrie
Bürotechnik und Zubehör
Bau-, land- und forstwirtschaftlicher Maschinenbau
Sie sind Zulieferer?
Finden Sie ideal passende Anfragen.
Sie sind Einkäufer?
Laden Sie Ihre Anfrage hoch.

















































