Grundplatte
Kundenkontakte
Über 16.000 registrierte Einkäufer suchen täglich auf Techpilot nach neuen Fertigungspartnern.
Mehr dazu
Aufträge online finden
Auf Techpilot werden jährlich über 30.000 verschiedene Teile in 280 Fertigungstechnologien angefragt.
Mehr dazu
Mehr zum Stichwort
“Frästeil”

Frästeil
Menge
1 Stk.
Werstoff
Baustahl St52
Abmessung
2000mm Länge 1600mm Breite 50mm Höhe
Technologie
Fräsen
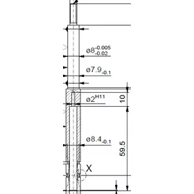
Grundplatten sind mit Abstand die am meisten angefragten Zeichnungsteile aus dem Bereich Fräsen auf der Techpilot-Webseite. Die meisten Einkäufer benötigen hier allerdings nur geringe Stückzahlen. Grundplatten sind in ihrer Form sehr einfach zu fräsen. Um entsprechende Werkstücke zu bearbeiten, reicht bereits eine einfache CNC-Fräsmaschine mit drei Achsen aus. Bei einer Grundplatte handelt es sich um eine Montageplatte, wie sie zum Beispiel im Vorrichtungsbau gebraucht wird. Meistens bestehen die Grundplatten aus robustem Material wie zum Beispiel Baustahl mit einer Dicke von 20 mm. Es sind jedoch auch noch höhere Materialstärken möglich. Die Komplexität beim Fräsen einer Grundplatte ergibt sich daher lediglich aus den Positionen einzelner Vorbohrungen. Typische Positionen, die für eine Grundplatte gefräst werden müssen, sind zum Beispiel Langlöcher oder Gewinde. Einkäufer, die eine Grundplatte fräsen lassen möchten, erleichtern den Zulieferern ihre Arbeit, indem sie zusätzlich zur technischen Zeichnung auch die 3D-Daten zum Fräsen der Vorbohrungen anhängen. Diese sind mit einem CAM-Programm automatisch einlesbar. Eine Verteilung der Vorbohrungen bei einer Grundplatte ergibt sich nach ihrer jeweiligen Verwendung. Grenzen beim Fräsen von Grundplatten können sich durch ihre Länge erheben. Aus diesem Grund ist es für Zulieferer sinnvoll, stets kenntlich zu machen, bis zu welchen Maßen der gewünschte Fräsauftrag umgesetzt werden kann. Fügen Einkäufer keine 3D-Daten an ihre Anfrage, können die Bohrdaten für Montagelöcher auf der Grundplatte auch in die CNC-Maschine einprogrammiert werden. Eine Nachbearbeitung zusätzlich zum Fräsen ist bei Grundplatten eher selten.
Weitere aktuelle Frästeil-Aufträge
Jetzt die in unserem Marktplatz aktuell ausgeschriebenen Anfragen ansehen
Nutzen Sie die Vorteile unserer digitalen Vertriebsplattform
- Online Sichtbarkeit signifikant erhöhen
- Direkt mit Einkäufern kommunizieren
- Aufträge einfach akquirieren
- Integrierte Wettbewerbsanalyse
- Persönliche Betreuung





.webp)




















































.webp)
